技术优势:该工业级CWDM器件基于自由空间结构,采用富光科技3D光程压缩专利技术,与三端口和AWG器件相比较,具有更高信道空间密度、更优性能指标和超低功率损耗的特性,代表未来无源光器件绿色低碳的发展趋势;品质保证:作为光通信头部企业的认定供应商,富光科技微型无源光器件生产线接受全球主要客户的定期现场稽核,提供周期性可靠性验证数据文件。服务优势:提供通道顺序、波长配置和插损分布等深度定制服务;提供免费光路仿真、可靠性验证和容差分析的售前服务;利用生产过程中存储的底层数据为客户的产品部署提供强有力的售后支持。
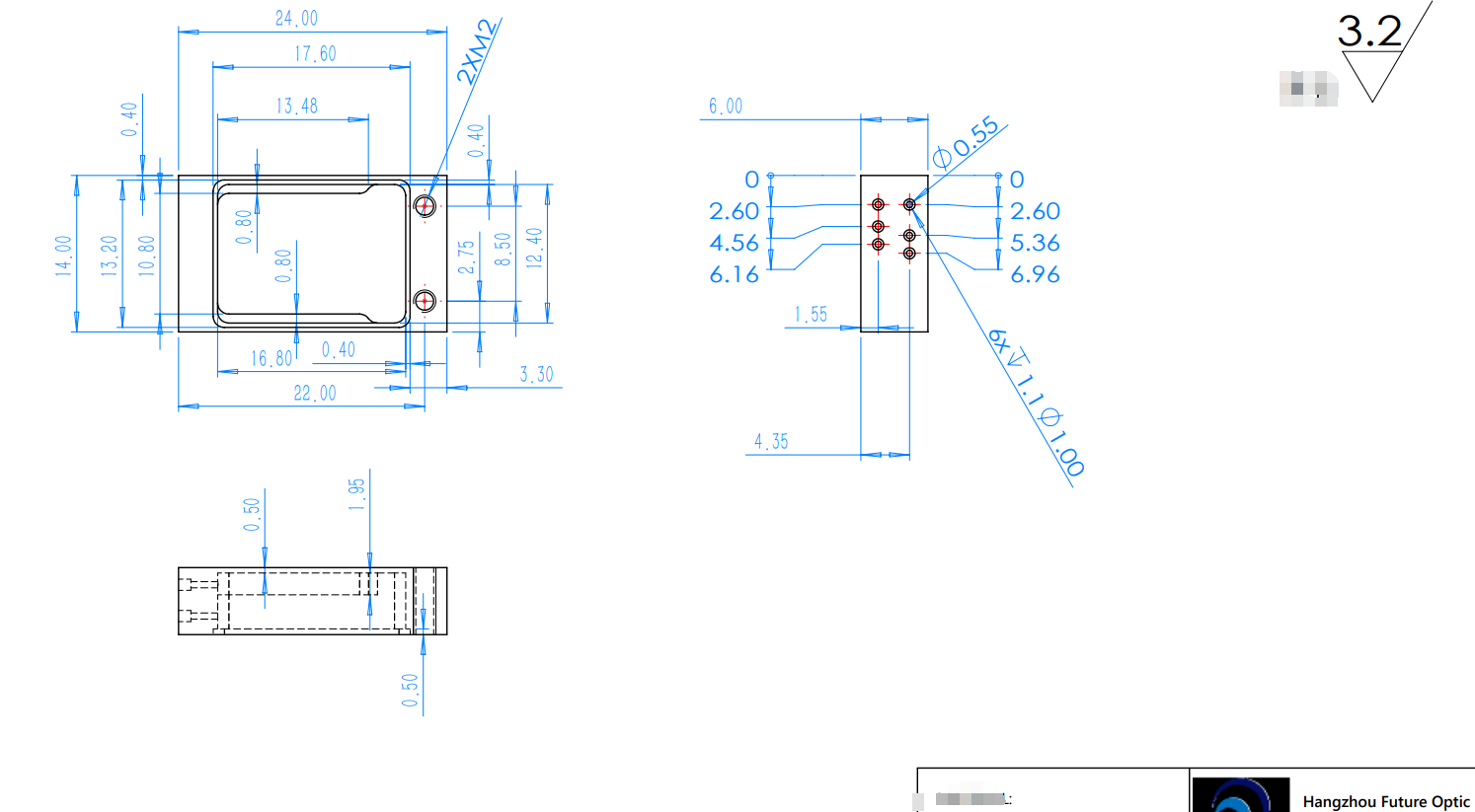
富光科技5CH UC CWDM Mux Demux 低插损工业温度波分器件是一款封装尺寸为21x12.8x6.5mm,典型插损为1.0dB的低插损微型化CWDM波分复用器件,它基于TFF滤波片和自由空间技术,由富光科技微光学制造平台推出,借助富光科技无源波分专利技术、无热冲击激光焊接封装工艺和抗侧拉光纤保护设计,使得该工业级CWDM Mux Demux器件具有超低插损、超小封装尺寸、超稳定可靠性和超宽温度范围的运行特性,与传统三端口技术的CWDM器件相比较,体积缩小到五十分之一、插损减少一半以上;与AWG技术的CWDM器件相比较,有更高的通道一致性、更高的隔离度和更高的热稳定性。确保器件能够在冲击振动、高温高湿和盐雾污染等苛刻环境下部署使用。
特点/Features:
• 低插入损耗/Low Insertion Loss • 高隔离度/High Isolation • 高波长精度/High wavelength accuracy • 无环氧树脂光路/Epoxy-Free Optical Path • 快速通道可用/Express Channel Available • 符合标准Telcordia 1221 Qualified
应用/Applications:
• 宽带网络/Broadband Networks • 光分插复用/Optical Add/Drop Multiplexing • 城域网络/Metro Networks • 有线电视系统/CATV Systems • 数据中心/Data Center
技术指标/Specifications:
参数/Parameter | Unit | Specifications |
通道数/Number of channels | CH | 5 |
工作波长/Operating wavelength | nm | 1260~1620 |
中心波长/Center wavelengths | nm | 1270,1290,1310,1330,1350 or Customization |
通道间隔/Channel spacing | nm | 20 |
通带宽度/Pass bandwidth | nm | lc±6.5 |
最大插损/Insertion loss(Max) | dB | ≤1.2 |
典型插损/Insertion loss(Typical) | dB | ≤1.0 |
波长热稳定性/Wavelength thermal stability | nm/℃ | ≤0.002 |
相邻通道隔离/Adjacent channel isolation | dB | ≥30 |
非相邻通道隔离/No-adjacent channel isolation | dB | ≥40 |
回波损耗/Return loss | dB | ≥45 |
一致性/Directivity | dB | ≥50 |
偏振相关损耗/PDL | dB | ≤0.2 |
通带波纹/Passband ripple | dB | ≤0.5 |
承受光功率/Power handling | mW | ≤500 |
光纤类型/Fiber type | - | ITU-T G657 A2 |
尾纤类型/Pigtail type | - | 0.9mm white loose tube |
运行温度/Operating temperature | °C | -40~+85 |
储存温度/Storage temperature | °C | -40~+85 |
封装尺寸/Footprint dimension (LxWxH) | mm | 21*12.8*6.5 or 21*12.8*5.95 |
尾纤长度/Pigtail length | m | ≥1.0 |
- 上一篇: 6通道1290-1390nm低插损工业温度CWDM Mux Demux 粗波分复用器件,典型插损1.0dB,光路无胶,单个通道波长精准可调,单侧出纤,抗侧拉光纤保护设计,可伐材料高气密性激光焊接封装
- 下一篇:4CH +UPG mini CWDM MODULE,1270、1290、1310、1330 nm +1路反射通道,G657A2 Fiber,-55~+85℃,FC/APC,0.5M,用于光传感和探测的