3CH 200GHz DWDM Module,C40/C32/C26,ZBL,900um Loose tube,0.3M, FC/APC是利用富光科技自由空间微光学制造平台定制化的超低PDL指标值的密集波分器件,它还具有低插损、小封装尺寸、高波长精度和超宽范工作温度的特性。可集成到非标准模块内,广泛应用于空间、地面和水下的光传感和探测。借助全玻璃3D立体结构的专利设计,富光科技的 UC-DWDM mux demux 器件与三端口(3-port)技术的传统DWDM 器件相比较,其体积缩小到五分之一、插损减少一半以上,与基于AWG技术的光导DWDM器件相比较,具有中心波长可单个通道精准调节、各通道一致性高和热稳定性卓越的特性。富光科技根据客户通道配置提供一站式定制服务,还根据客户插损预算、空间尺寸和性能指标要求提供结构优化设计、性能仿真和样品试制的售前服务。
3CH 200GHz DWDM Module,C40/C32/C26,ZBL,900um Loose tube,0.3M, FC/APC是利用富光科技自由空间微光学制造平台为客户定制的超低PDL指标值的密集波分器件,它还具有低插损、小封装尺寸、高波长精度和超宽范工作温度的特性,可集成到非标准模块内,广泛应用于空间、地面和水下的光传感和探测。
借助全玻璃3D立体结构的专利设计,富光科技的 UC-DWDM mux demux 器件与三端口(3-port)技术的传统DWDM 器件相比较,其体积缩小到五分之一、插损减少一半以上,与基于AWG技术的光导DWDM器件相比较,具有中心波长可单个通道精准调节、各通道一致性高和热稳定性卓越的特性。
富光科技根据客户通道配置提供一站式定制服务,还根据客户插损预算、空间尺寸和性能指标要求提供结构优化设计、性能仿真和样品试制的售前服务。
特点/Features:
• 低插损/Low Insertion Loss
• 紧凑型封装/Ultra Compact
• 光路无胶/Epoxy-Free Optical Path
• 宽阔平坦的通带/Wide- and Flat-Top Passband
• 波长精度高/High Precision Wavelength
• 高可靠性/Highly Reliable and Stable
• 符合标准Telcordia GR 1209/1221 Qualified
应用/Applications:
• 宽带系统/Broadband Systems
• 电信网/Telecommunications Networks
• 城域网/Metro Networks
• 光分插复用/Optical Add/Drop Multiplexing
• 扩展DWDM系统/Expanding Existing DWDM System
技术指标/Specifications:
Parameters | Specifications | Unit |
Channel Number | 3 | CH |
Operating Wavelength | 1520~1570 | nm |
Channel Center Wavelengths (nm) | C40/C32/C26 | nm |
Channel Passband(0.5dB) | lc ±0.25 | nm |
Insertion Loss | ≤1.5 | dB |
Ripple | ≤0.5 | dB |
PDL | ≤0.4 | dB |
Adjacent Isolation | ≥30 | dB |
Non-adjacent Isolation | ≥40 | dB |
RL | ≥45 | dB |
Dir | ≥50 | dB |
Optical Power (CW) | 300 | mW |
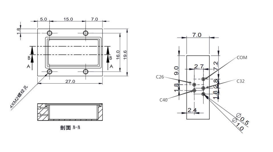
Dimension | 27X19.6X7 mm | mm |
Fiber Type | ZBL With 900umSleeve ,white | |
Fiber Length | COM:33±3 3CH:60±3 | CM |
Connector Type | FC/APC | |
Operating Temperature | -40~ +85 | °C |
Storage Temperature | -50 ~ +85 | °C |
Note:The above parameters with connector.
- 上一篇: 9CH 200GHz DWDM C25/27/29/32/34/37/39/41/44,FC/APC,1M,900um loose tube 定制化低插损微型化9通道200GHz DWDM波分复用
- 下一篇:50GHz通道间隔的8通道迷你DWDM Mux Demux波分复用器件, C40-C47 ,G657A2 光纤,900um 松套管, FC/APC.链接头,光路无胶,单个通道波长精准可调,单侧出纤,可